Mac based system for supporting print production processes, developed 2004-05 in Realbasic with embedded Apple scripts to control InDesign servers.
The purpose of this system was to automate tedious tasks and limit the need for expert prepress knowledge amongst the editors. (Read article, interview with Stefan Rehnberg)
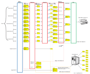
It consists of a Client, several InDesign server applications, Pitstop server, Navigator RIP, XF Best RIP, a hot folder structure and Epson Proof printer. There’s also a database connection though Easycatalog plugins to link prices from the ERP (AS400) system directly into the InDesign documents. The client is used by editors to order the InDesign servers to do a job on a collection of pages.
This system handled several hundreds of thousands pages per year. It was replaced in 2008 by a more advanced Windows based system when the AJ print production moved from MAC to PC and the ERP system was replaced by Dynamix Ax.

Client

Campaign administration

Flow of prices and pages InDesign server job flow
a few pages from the code documentation
Sidor från AJReproDoc
